Produktet
Ndërprerës qarku i montuar në pole të jashtme 12 KV
  • Ndërprerës qarku i montuar në pole të jashtme 12 KVNdërprerës qarku i montuar në pole të jashtme 12 KV
  • Ndërprerës qarku i montuar në pole të jashtme 12 KVNdërprerës qarku i montuar në pole të jashtme 12 KV
  • Ndërprerës qarku i montuar në pole të jashtme 12 KVNdërprerës qarku i montuar në pole të jashtme 12 KV

Ndërprerës qarku i montuar në pole të jashtme 12 KV

Model:ZW20-12F
Anqiang Power është një prodhues kinez i ndërprerësve të montuar në shtyllë të jashtme 12 kV. Kjo pajisje e shpërndarjes së energjisë e montuar në shtyllë të jashtme ka një tension nominal prej 12 kV dhe funksionon në AC trefazor 50Hz. Ai përmban aftësi të shkëlqyera rimbylljeje kur përdoret me një kontrollues, duke përmbushur kërkesat e sistemeve të automatizimit të shpërndarjes. Përdoret kryesisht për ndezjen dhe fikjen e rrymave të ngarkesës dhe rrymave të qarkut të shkurtër në sistemet e energjisë 10 kV dhe përdoret në nënstacionet dhe sistemet e shpërndarjes së ndërmarrjeve industriale dhe minerare.

Ndërprerësi i qarkut ZW20-12F 12KV i montuar në shtyllë të jashtme i prodhuar nga Anqiang integron pa probleme funksionet e një ndërprerësi vakum, rimbytës dhe seksionalizues.  Mbyllja e pajisjes së saj përdor teknologjinë e strukturës së izolimit dhe izolimit të vulosur me gaz të Toshiba-s VSP5. Përçuesit e linjës hyrëse dhe dalëse janë përmirësuar gjithashtu për performancë më të mirë të vulosjes. Mekanizmi i funksionimit të pranverës është miniaturizuar dhe qarku kryesor ka rezistencë të ulët kontakti. Prandaj, ky ndërprerës i tensionit të lartë në natyrë është një produkt pa mirëmbajtje dhe një zgjedhje e preferuar për ndërprerësit e montuar në shtylla.

Fotot aktuale të produktit

12KV Outdoor Pole Mounted Circuit Breaker

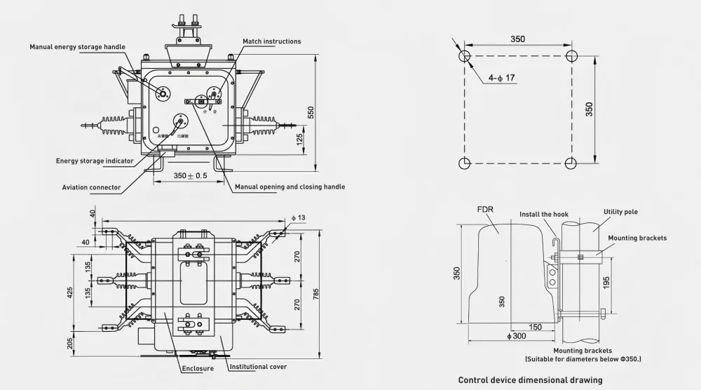
Diagrami i dimensioneve të produktit

12KV Outdoor Pole Mounted Circuit Breaker

Parametrat Teknikë

Projekti

Vlera e parametrit

Tensioni nominal

12 kV

Frekuenca e vlerësuar

50 Hz

Rryma e vlerësuar

630/1000 A

Rryma e vlerësuar e ndërprerjes së qarkut të shkurtër

20/25 kA

Rryma e vlerësuar me rezistencë maksimale

50/63 kA

Rryma e vlerësuar me rezistencë të shkurtër

20/25 kA

Rryma e vlerësuar me qark të shkurtër

50/63 kA

Sekuenca e vlerësuar e funksionimit

Hap - 0,3 sekonda - Mbyll - 180 sekonda - Hap - Mbyll

Jeta mekanike

10,000 herë

Ciklet e ndërprerjes së rrymës së vlerësuar

10,000 herë

Kapaciteti i vlerësuar i ndërprerjes së qarkut të shkurtër

30 herë

Presioni i vlerësuar i gazit SF6

0 Mpa


Avantazhet e produktit

Ky ndërprerës 12 kV i montuar në shtyllë të jashtme përmban mbrojtje ndaj mbirrymës dhe një tregues mekanizmi të ruajtjes së energjisë me pranverë.  Gjithashtu është i pajisur me një lidhës aviacioni për lidhjet elektrike dytësore, duke lehtësuar integrimin me kontrollorët inteligjentë. Performanca e tij e shkëlqyer elektrike dhe mekanike bën që ndërprerësi me vakum ZW20-12F të montuar në shtyllë të jashtme të zbatohet gjerësisht.


Hot Tags: Ndërprerës qarku i montuar në pole të jashtme 12 KV, Ndërprerës i qarkut elektrik në natyrë, Ndërprerës i tensionit të lartë Prodhuesi
Dërgo kërkesë
Informacioni i Kontaktit
  • Adresë

    Zona Industriale Jinlu, Qyteti Beibaixiang, Qyteti Yueqing, Qyteti Wenzhou, Provinca Zhejiang, Kinë

  • tel

Për pyetje rreth ndërprerësit, ndërprerësit të ngarkesës, ndërprerësit të shkëputjes ose listës së çmimeve, ju lutemi na lini emailin tuaj dhe ne do të kontaktojmë brenda 24 orëve.
X
Ne përdorim cookies për t'ju ofruar një përvojë më të mirë shfletimi, për të analizuar trafikun e faqes dhe për të personalizuar përmbajtjen. Duke përdorur këtë faqe, ju pranoni përdorimin tonë të cookies. Politika e privatësisë
Refuzo Pranoje